滑动轴承是汽车、拖拉机及机床等机械制造工业中用以支撑轴进行工作的零件,是由轴承和轴瓦组成的。制造轴瓦以及内衬的耐磨合金叫做轴承合金。今天小编就带大家了解一下轴承合金。
0 1
轴承合金的性能要求
滑动轴承是汽车、拖拉机及机床等机械制造工业中用以支撑轴进行工作的零件,是由轴承和轴瓦组成的。制造轴瓦以及内衬的耐磨合金叫做轴承合金。轴在轴瓦中高速旋转时,必然发生强烈摩擦,同时轴瓦还要承受轴颈传给它的周期性负荷。因此必然造成轴和轴承的磨损。轴通常造价昂贵,经常更换不经济。选择满足一定性能要求的轴承合金可以确保轴的最小磨损。
轴承合金应具备的性能:
① 耐磨并且具有较小的摩擦因数,以减少轴的磨损。
② 有较高的疲劳强度和抗压强度,以承受巨大的周期性负荷。
③ 有足够的塑形和韧性,以抵抗冲击和振动,并改善轴和轴瓦的磨合性能。
④ 有良好的导热性和耐蚀性,以防轴瓦和轴因强烈摩擦升温而发生咬合,并能抵抗润滑油的侵蚀。
在合金组织中,如在软基体上均匀分布一定大小的硬质点(或在硬基体上分布一定的软质点),则基本上能满足上述性能要求。当轴在轴承中运转时,软基体(或质点)易于磨损而凹陷,而硬基体(或质点)则凸出起承载和耐磨作用。这样,轴和轴瓦的接触面积减少,其间空隙可贮存润滑油,降低了轴和轴承的摩擦因数,减少了磨损。软基体或质点可以承受冲击和振动并使轴和轴瓦很好地磨合。此外,软基体或质点可嵌藏偶然进入的外来硬质点,以免擦伤轴颈。
常用轴承合金,按其主要化学成分可分为锡基、铅基、铝基、铜基和铁基。其中,锡基和铅基轴承合金又称巴氏合金,是应用最广的轴承合金。
0 2
锡基轴承合金
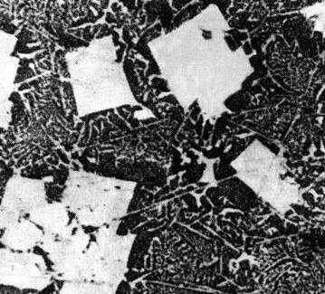
锡基轴承合金是以锡为主加入少量锑、铜等元素组成的合金。最常用的锡基轴承合金是ZSnSb11Cu6,合金中约含WSb=11%的Sb、WCu=6%的Cu,剩余的为Sn。Sb和Cu溶解于Sn中的α固溶体是软基体(图1中黑色部分),而Sn和Sb、Cu形成的化合物Cu3Sn(图1中白色针状或星状)及SnSb(白色方块或多边状)是硬质点。当WCu=6%时,形成高熔点化合物Cu3Sn,可以阻止以SnSb为基的固溶体在溶液中上浮,防止比重偏析,同时也能提高合金的耐磨性。
图1 ZSnSb11Cu6合金显微组织
锡基轴承合金摩擦因数小,塑性和导热性好,是优良的减摩材料,应用于最重要的轴承上,如用来浇注汽轮机、发动机、压气机等重型机器的高速轴承,工作温度不超过150℃。
锡基轴承合金的强度,尤其是疲劳强度较低,生产上常采用双金属轴承,即采用离心浇注法,在低碳钢轴瓦上浇注一薄层锡基轴承合金,提高了轴承的强度和寿命,而且节省了大量锡基轴承合金。
0 3
铅基轴承合金
铅基轴承合金是以铅为主加入少量锑、锡、铜等元素组成的合金,可作锡基轴承合金的代用品。其中以Pb-Sb系合金应用最广。
Pb-Sb二元合金相图(图2)具有共晶型转变。共晶成分中WSb为11.2%。图中Sb含量在17.5%~20%间为合金的室温组织,由初生β相硬质点和(α+β)共晶软基体组成。但是由于二元Pb-Sb合金同样有严重偏析,而且β相很脆,易破碎,基体又太软,易磨损,因此Pb-Sb合金还加入Cu、Sn等其他元素。加Cu可形成Cu3Sn,防止比重偏析,还可形成Cu2Sb硬质点,提高合金耐磨性。加Sn能形成金属化合物SnSb硬质点,它能大量溶解于铅中而强化基体,故可提高合金的强度和耐磨性。ZPbSb16Sn16Cu2是工业中最常用的铅基轴承合金,其WSb=16%、WSn=16%、WCu=2%,属于过共晶合金。其组织中的(α+β)共晶体是软基体,白色方块为化合物SnSb,白色针状晶体是化合物Cu3Sn。初生的β化合物Cu2Sn、SnSb是合金中的硬质点(见图3)。
图2 Pb-Sb合金相图
图3 ZPbSb16Sn16Cu2的显微组织
铅基轴承合金可以制成双层或三层金属结构,其强度、硬度和耐磨性虽低于锡基轴承合金,但由于锡含量减少,成本降低。此外铸造性能及耐磨性较好,一般用于制造中、低载荷的轴瓦,如汽车、拖拉机曲轴轴承。
0 4
铝基轴承合金
铝基轴承合金是20世纪60年代发展起来的一种新型减摩材料。我国也逐渐用它代替锡基、铅基和铜基轴承合金,因而大量节约了工业用铜。铝基轴承合金资源丰富,价格低廉,疲劳强度高,导热性能好,其耐蚀性也不亚于锡锑巴氏合金。因此铝基轴承合金广泛用于高速度、高载荷下工作的汽车、拖拉机的柴油机轴承。
常用的铝基轴承合金有Al-Sb轴承合金和Al-Sn轴承合金。
(一) Al-Sb轴承合金
其成分中WSb=3.5%~5%、WMg=0.3%~0.7%,其余为Al。由图4可见,WSb=4%的AlSb变为片状,改善合金的塑性、韧性和强度。Al-Sb合金的显微组织是金属化合物AlSb和Mg3Sb2硬质点均匀地分布在软的以铝为基的固溶体上。该合金用低碳钢作衬背,将Al-Sb-Mn轴承合金浇注在钢背上作成双金属轴承,或与低碳钢带复合在一起轧制成双金属钢带。
图4 Al-Sb合金相图
Al-Sb轴承合金有高的抗疲劳性能及耐磨性,但其承载能力不大,用于中等负荷的内燃机上。
(二) Al-Sn轴承合金
高锡铝基轴承合金具有更高的承载能力和疲劳强度。它和低碳钢一起轧制成双金属轴瓦,可在压力为28MPa、滑动线速度为13m/s的条件下工作,其抗咬合性能与巴氏合金相当。高锡铝基轴承合金的化学成分为:WSn=20%、WCu=1%,其余为Al。锡在铝中的溶解度极小。WSn=20%的Al-Sn合金的共晶组织较多,锡呈网状包围着铝晶体,大大降低了合金的力学性能。为了消除网状共晶体,浇注以后可与钢背一起轧制并经350℃退火3h,则锡被球化。因此该合金的实际组织是在硬的铝基体上均匀分布着软的粒状锡质点。
在Al-Sn合金中加入Cu和Ni,因它们能溶于Al中,可进一步提高基体强度。
高锡铝基轴承合金生产简便,成本不高,在我国已经广泛应用于中、高速汽车,拖拉机的柴油机轴承上,已在许多机器上取代了巴氏合金和其他轴承材料。但是生产这种轴瓦时,如果合金层与钢背结合不牢固,使用时会造成合金层早期剥落。为使高锡铝基轴承合金和钢背结合牢固,目前这种轴承采用由钢带、Al-Sn合金及夹由铝箔中间层的三层合金轧制而成。轧制过程中铝表面的氧化膜由于延伸而破碎,剩下的氧化膜由随后再结晶退火而球化,故大大提高与钢背的结合强度。











